欢迎进入安徽省天盛仪表线缆有限公司
网址:
http://www.ahtiansheng.com/
收藏本站
联系我们
为客户提供优质的
产品和上乘的服务
全国统一服务热线:
0550-7515288、7622699
网站首页
走进天盛
关于我们
企业文化
组织机构
生产车间
产品展示
仪器仪表
电线电缆
桥架系列
资质荣誉
新闻中心
客户留言
联系我们
压力仪表
温度仪表
压力仪表
流量仪表
液位仪表
数显仪表
仪表配件
推荐资讯
新兴产业助力仪器仪表行业发...
仪器仪表行业进入信息化时代
仪器仪表行业的前景分析
物位仪表市场现状和发展趋势...
中国电线电缆行业发展趋势分...
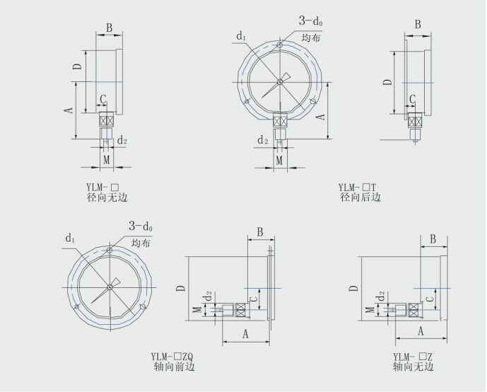
冷媒压力表
发布日期:2018-07-02 浏览次数:
0
冷媒压力表适用于测量无爆炸危险、不易结晶、不凝固及对仪表零件不起腐蚀作用的液体、气体和蒸汽等介质的压力和负压,特别适用于强烈脉动介质压力和环境强烈振动场所介质压力的测量,能在强振动环境中将示值稳定地指示出来。
返回上一步
打印此页
上一篇:
氧压力表
下一篇:
YNBF-40Ⅲ轴向带边不锈钢耐震压力表